メタルコンテント固定具(接着タイプ)
メタルコンテントの接着タイプは、食品工場など異物混入対策が必要な現場で使用するケーブル固定具です。
●金属検出機用のMCTSタイプと同じ材料で成形されたマウントベースの接着タイプです。●粘着テープ付きで、剥離紙をはがすだけで、任意の場所に簡単に固定できます。
※両面粘着テープは金属検出機で検出できません。
材質:変性66ナイロン・鉄系成分
色:青
RoSH適合品 ハロゲンフリー

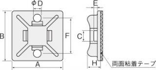
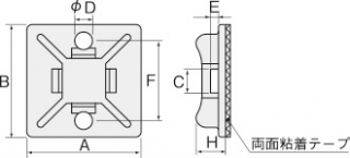
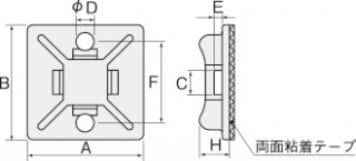
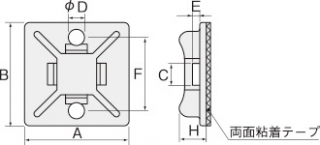
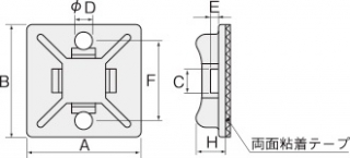
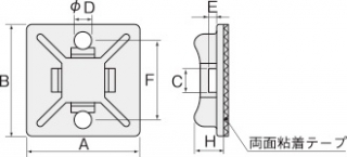
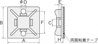
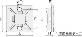
| 型番 | A(㎜) | B(㎜) | φD (㎜) | C(㎜) | E(㎜) | H(㎜) | 使用インシュロックタイ ※MCTS200-PPは、除く | ※1個当たりの 推奨静荷重 N | 販売単位 (個) |
|---|---|---|---|---|---|---|---|---|---|
| MCMB3A-BLU | 19.0 | 19.0 | 2.9 | 4.0 | 1.3 | 5.0 | MCTS150タイプ まで | 2.5 | 100個 |
| MCMB4A-BLU | 28.0 | 28.0 | 4.2 | 5.5 | 1.6 | 6.5 | MCTS*** | 4.9 | 100個 |





